+7 (496) 247-58-34
0

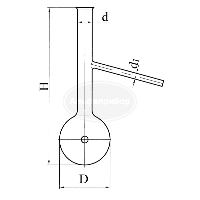
Колба КРН-250 d20 Энглера ТС ГОСТ 25336-82

Артикул: HP_1565 Номер товара: 3923
2 184,86 руб.
Цена может отличаться от указанной! Уточняйте цены у наших менеджеров.
Химлабоприбор
Официальный дилер
Колбы Категория
Нужны специальные условия? Свяжитесь с отделом продаж!
Описание товара

Колба Энглера КРН-250 d20 ТС применяется при проведении работ, связанных с перегонкой нефти и нефтепродуктов.

Изготовлена в соответствии с ГОСТ 25336-82.

Технические характеристики
Тип колбы Энглера
d1 (мм) 9 мм
Тип и номер нормативного документа ГОСТ 25336-82
Объем 250 мл
H 214 мм
d (мм) 20 мм
D 85 мм
Рекомендуем посмотреть
Мужская
Размер XS S M L XL 2X 3X
Вес 43-50 50-59 59-72 72-83 83-95 95-104 104-113
Рост 147-157 152-170 165-188 170-193 170-193 170-193 170-193
Обхват груди 81-86 86-91 97-102 102-107 112-117 117-122 122-127
Женская
Размер XS S M L XL
Обхват груди 79-84 84-89 89-94 94-99 99-104
Обхват талии 58-64 64-69 69-74 76-81 84-89
Обхват бедер 84-89 89-94 94-99 102-107 109-114

© Альфаприбор 2023. Лабораторная посуда, оборудование и аксессуары.

Политика конфиденциальности Условия использования